
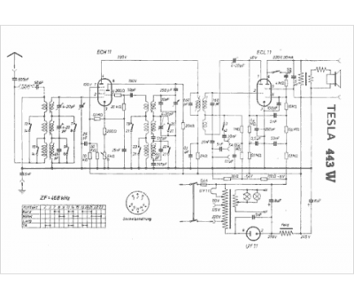
Marque :
Tesla
Modèle :
443 W
Type appareil :
récepteur à tubes
Pays d'origine :
Hongrie, Suisse, Allemagne, ex-Tchécoslovaquie
