
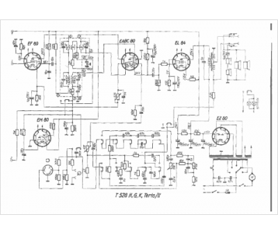
Marque :
Terta
Modèle :
T 528 H
Type appareil :
récepteur à tubes
Pays d'origine :
Hongrie
