
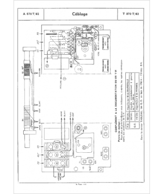
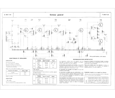
Marque :
Ténor
Modèle :
T870 T
Type appareil :
récepteur
Pays d'origine :
Suisse
