
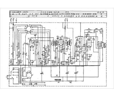
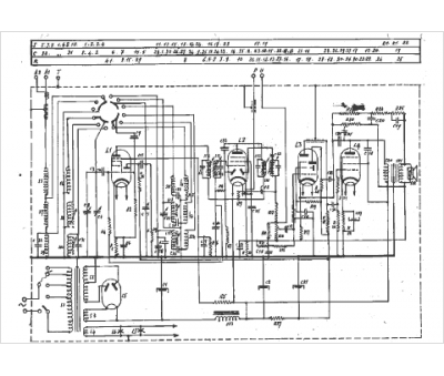
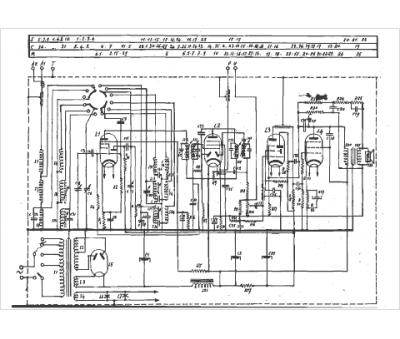
Marque :
Ténor
Modèle :
T 401 A
Type appareil :
récepteur à tubes
Pays d'origine :
Suisse
