
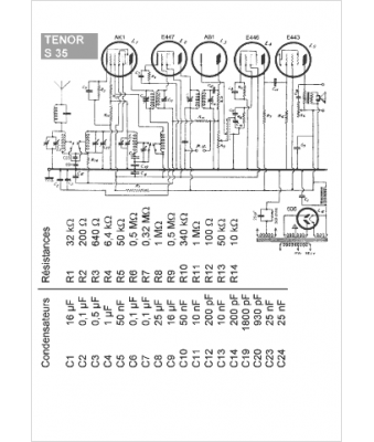
Marque :
Ténor
Modèle :
S 35
Type appareil :
récepteur
Pays d'origine :
Suisse
