
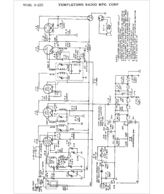
Marque :
Templetone
Modèle :
H-521
Type appareil :
récepteur à tubes
Année :
1949
Pays d'origine :
États-Unis
