
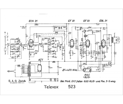
Marque :
Televox
Modèle :
523
Type appareil :
récepteur à tubes
Pays d'origine :
Suisse
