
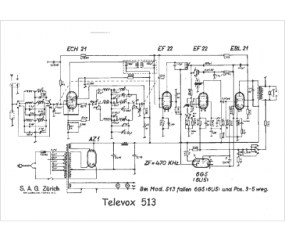
Marque :
Televox
Modèle :
513
Type appareil :
récepteur à tubes
Pays d'origine :
Suisse
