
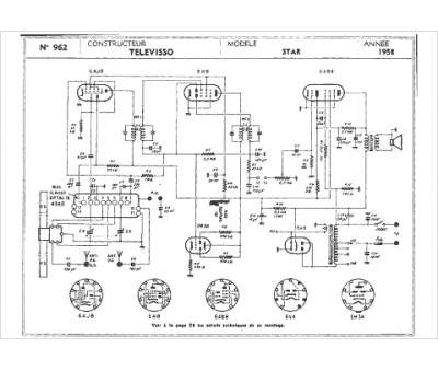
Marque :
Televisso
Modèle :
Star
Type appareil :
récepteur à tubes
Année :
1958
