
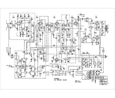
Marque :
Televideon
Modèle :
Helsinki
Type appareil :
récepteur à tubes
Pays d'origine :
Italie
