
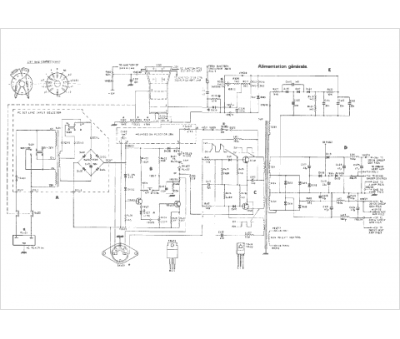
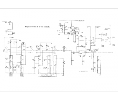
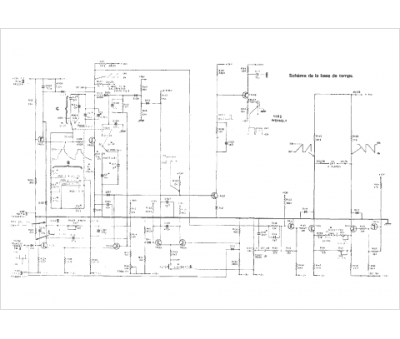
Marque :
Telequipment
Modèle :
S22
Type appareil :
appareil de mesure
Pays d'origine :
Grande-Bretagne
