
Marque :
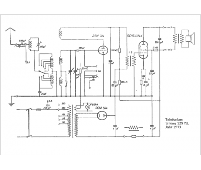
Telefunken
Modèle :
Wiking 125 WL
Type appareil :
récepteur à tubes
Pays d'origine :
Allemagne
