
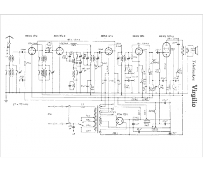
Marque :
Telefunken
Modèle :
Virgilio
Type appareil :
récepteur à tubes
Pays d'origine :
Allemagne
