
Marque :
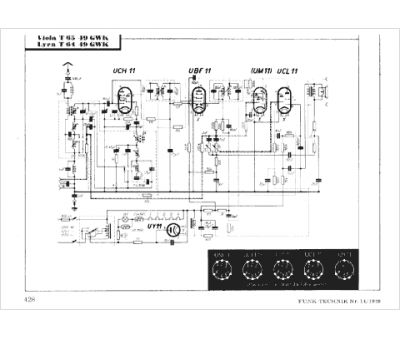
Telefunken
Modèle :
Viola T65 6549 GWK
Type appareil :
récepteur à tubes
Pays d'origine :
Allemagne
