
Marque :
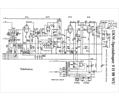
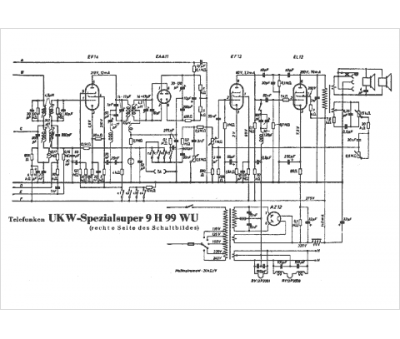
Telefunken
Modèle :
UKW Spezialsuper9H 99WU
Type appareil :
récepteur à tubes
Pays d'origine :
Allemagne
