
Marque :
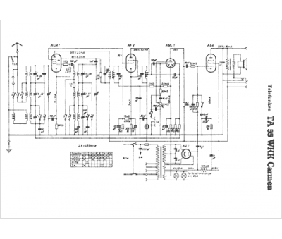
Telefunken
Modèle :
TA 55 WKK Carmen
Type appareil :
récepteur à tubes
Pays d'origine :
Allemagne
