
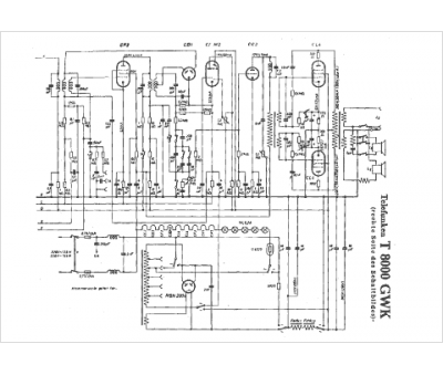
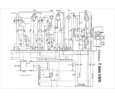
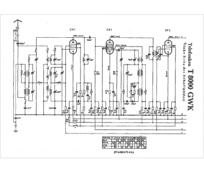
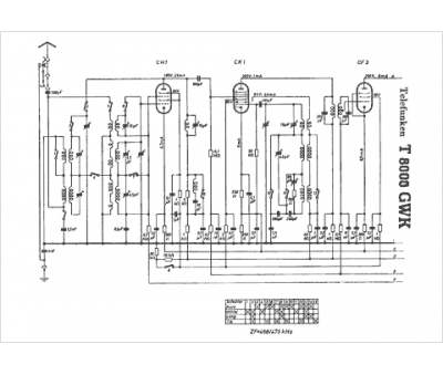
Marque :
Telefunken
Modèle :
T8000GWK
Type appareil :
récepteur à tubes
Pays d'origine :
Allemagne
