
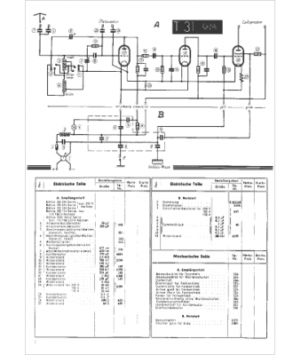
Marque :
Telefunken
Modèle :
T31GA
Type appareil :
récepteur à tubes
Pays d'origine :
Allemagne
