
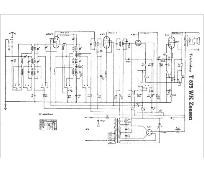
Marque :
Telefunken
Modèle :
T 875 WK Zeesen
Type appareil :
récepteur à tubes
Pays d'origine :
Allemagne
