
Marque :
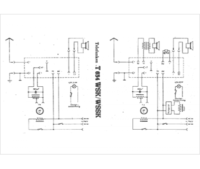
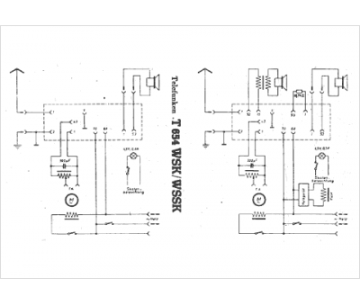
Telefunken
Modèle :
T 654 WSK
Type appareil :
récepteur à tubes
Pays d'origine :
Allemagne
