
Marque :
Telefunken
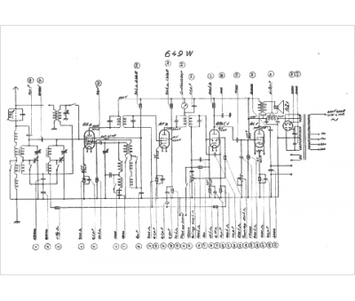
Modèle :
T 649 W
Type appareil :
récepteur à tubes
Pays d'origine :
Allemagne
