
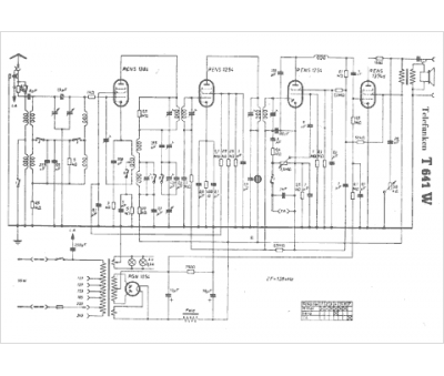
Marque :
Telefunken
Modèle :
T 641 W
Type appareil :
récepteur à tubes
Pays d'origine :
Allemagne
