
Marque :
Telefunken
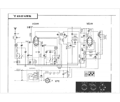
Modèle :
T 4347 GWK
Type appareil :
récepteur à tubes
Pays d'origine :
Allemagne
