
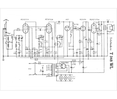
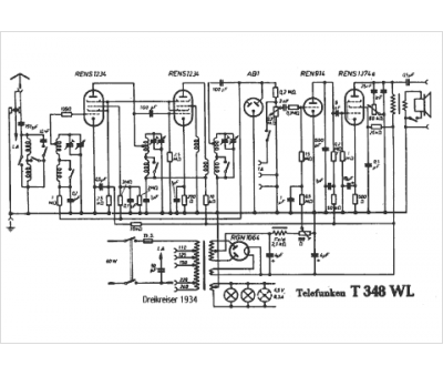
Marque :
Telefunken
Modèle :
T 348 WL
Type appareil :
récepteur à tubes
Année :
1934
Pays d'origine :
Allemagne
