
Marque :
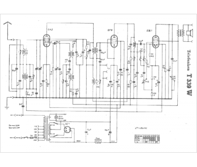
Telefunken
Modèle :
T 339 W
Type appareil :
récepteur à tubes
Pays d'origine :
Allemagne
