
Marque :
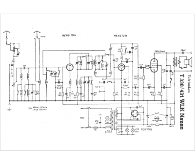
Telefunken
Modèle :
T 330 WLK
Type appareil :
récepteur à tubes
Pays d'origine :
Allemagne
