
Marque :
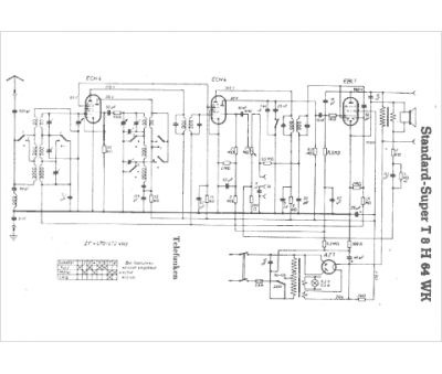
Telefunken
Modèle :
Standard Super T8H64 WK
Type appareil :
récepteur à tubes
Pays d'origine :
Allemagne
