
Marque :
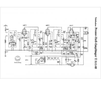
Telefunken
Modèle :
Presse Hell Empfänger E11/1/48
Type appareil :
récepteur à tubes
Pays d'origine :
Allemagne
