
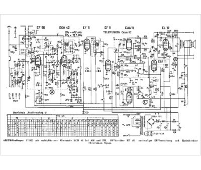
Marque :
Telefunken
Modèle :
Opus 52
Type appareil :
récepteur à tubes
Année :
1952
Pays d'origine :
Allemagne
