
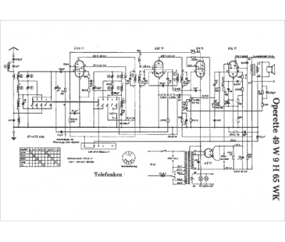
Marque :
Telefunken
Modèle :
Operette 49 W9 H 65
Type appareil :
récepteur à tubes
Pays d'origine :
Allemagne
