
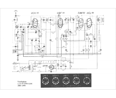
Marque :
Telefunken
Modèle :
M 64 49 GWK
Type appareil :
récepteur à tubes
Pays d'origine :
Allemagne
