
Marque :
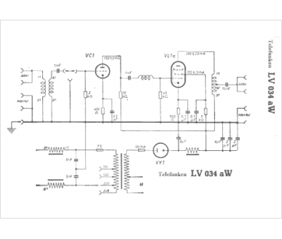
Telefunken
Modèle :
LV 034 aW
Type appareil :
récepteur à tubes
Pays d'origine :
Allemagne
