
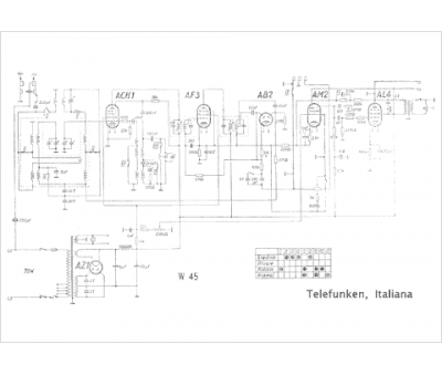
Marque :
Telefunken Italiana
Modèle :
W 45
Type appareil :
récepteur à tubes
Pays d'origine :
Italie
