
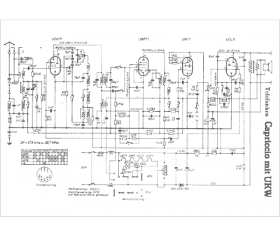
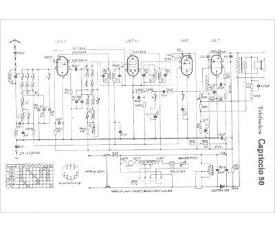
Marque :
Telefunken
Modèle :
Capricio
Type appareil :
récepteur à tubes
Pays d'origine :
Allemagne
