
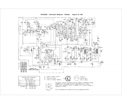
Marque :
Telefunken
Modèle :
Caprice TL3291
Type appareil :
récepteur à transistors
Pays d'origine :
Allemagne
