
Marque :
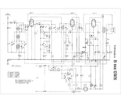
Telefunken
Modèle :
B 644 GWK
Type appareil :
récepteur à tubes
Pays d'origine :
Allemagne
