
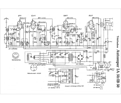
Marque :
Telefunken
Modèle :
Autosuper IB 50
Type appareil :
récepteur à tubes
Pays d'origine :
Allemagne
