
Marque :
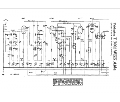
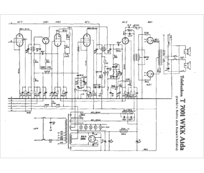
Telefunken
Modèle :
Aida T 7001 WKK
Type appareil :
récepteur à tubes
Pays d'origine :
Allemagne
