
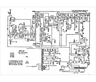
Marque :
Telefunken
Modèle :
686 WK
Type appareil :
récepteur à tubes
Année :
1936
Pays d'origine :
Allemagne
