
Marque :
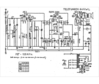
Telefunken
Modèle :
644 WL
Type appareil :
récepteur à tubes
Année :
1936
Pays d'origine :
Allemagne
