
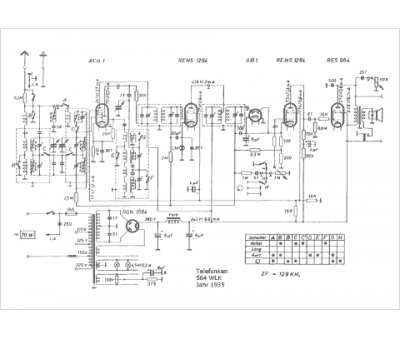
Marque :
Telefunken
Modèle :
564 WLK
Type appareil :
récepteur à tubes
Année :
1935
Pays d'origine :
Allemagne
