
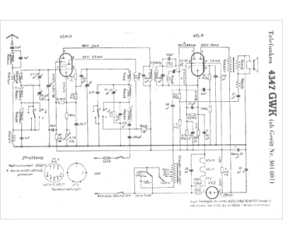
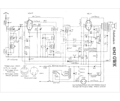
Marque :
Telefunken
Modèle :
4347 GWK
Type appareil :
récepteur à tubes
Pays d'origine :
Allemagne
