
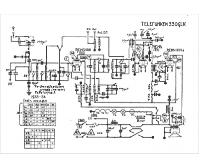
Marque :
Telefunken
Modèle :
330 GLK
Type appareil :
récepteur à tubes
Année :
1933
Pays d'origine :
Allemagne
