
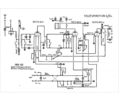
Marque :
Telefunken
Modèle :
231 G
Type appareil :
récepteur à tubes
Année :
1932
Pays d'origine :
Allemagne
