
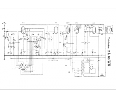
Marque :
Telefunken
Modèle :
2 L 66 WK
Type appareil :
récepteur à tubes
Pays d'origine :
Allemagne
