
Marque :
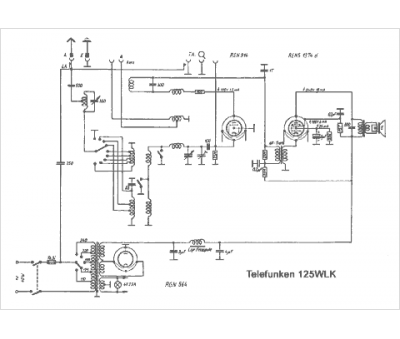
Telefunken
Modèle :
125 WLK WIKING
Type appareil :
récepteur à tubes
Année :
1933
Pays d'origine :
Allemagne
