
Marque :
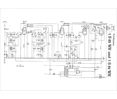
Telefunken
Modèle :
1 S 65 WK
Type appareil :
récepteur à tubes
Pays d'origine :
Allemagne
