
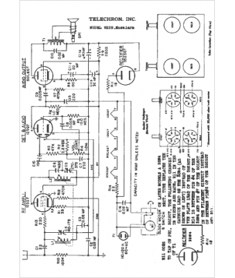
Marque :
Telechron
Modèle :
Musalarm
Type appareil :
récepteur à tubes
Année :
1948
Pays d'origine :
États-Unis
