
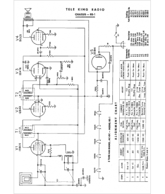
Marque :
Tele-King
Modèle :
RE-1
Type appareil :
récepteur à tubes
Année :
1953
Pays d'origine :
États-Unis
