Retour à l'accueil
 
 
Recherche de schémas
Collection CD/DVD

Service schémathèque 

3 documents correspondent à votre recherche.

Caractéristiques de l'appareil
Marque :
Tektronix
Modèle :
7504
Type appareil :
appareil de mesure
3 documents correspondant à cet appareil
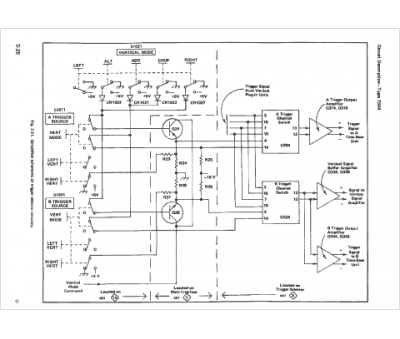
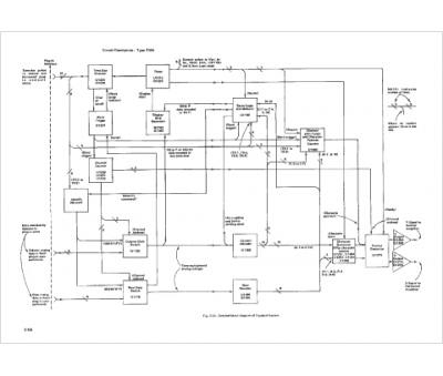
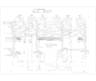
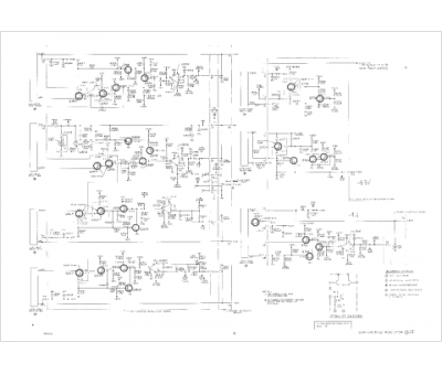
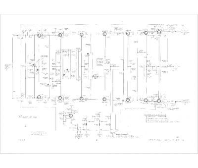
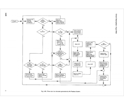
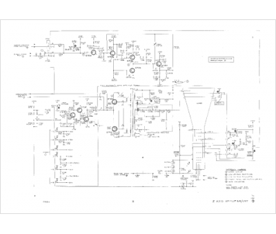
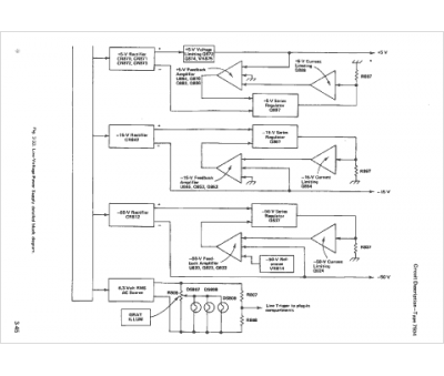
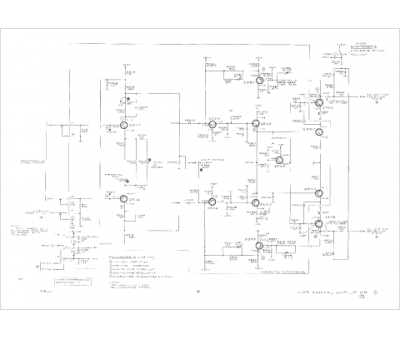
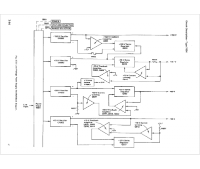
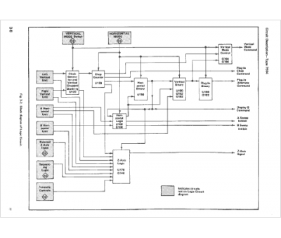
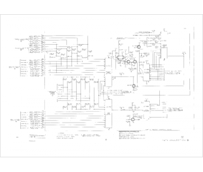
Notice Tektronix 7504
32 pages.
Document présent dans Rétro-docs 6 Acheter
En ligne, disponible en téléchargement Télécharger
no photo
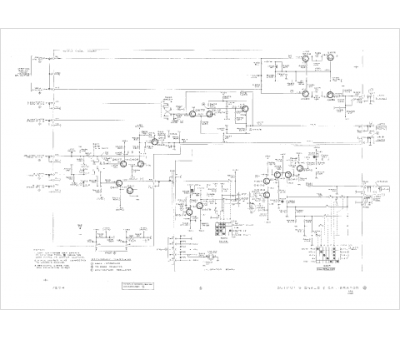
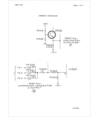
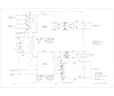
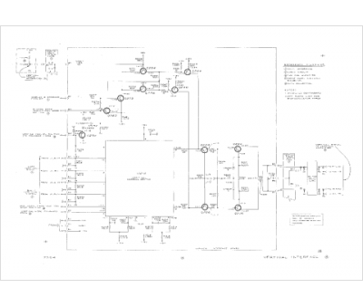
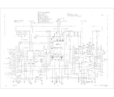
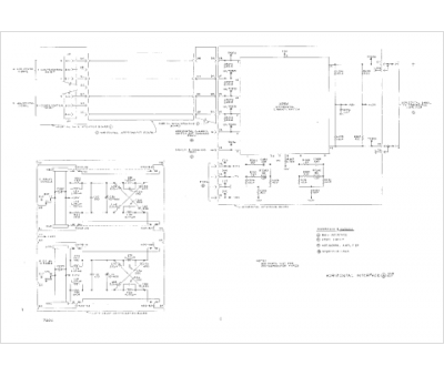
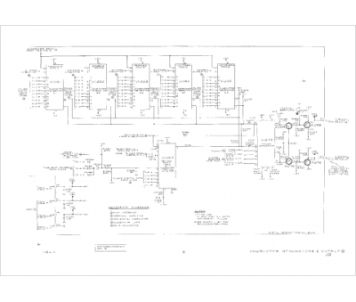
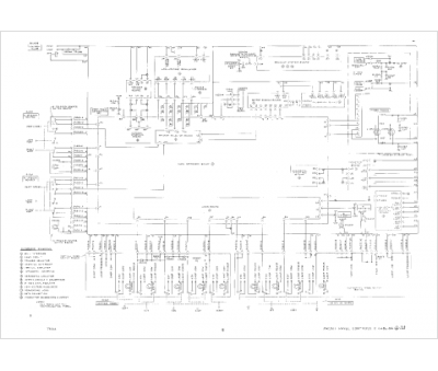
Tektronix 7504
Langue  : anglais
228 pages. — Poids : 1140 g. — Frais postaux indicatifs : 10,24 €
Document mesure accessible en prêt Demander
Vous pouvez regrouper les téléchargements Tout télécharger
La consultation de cet espace schémathèque est en accès libre.